我们不仅销售产品,我们还传播知识
请登录
免费注册
我的订单
我的收藏
帮助
马达
坦克地盘
0
合计
¥
0.00
商品分类
商品分类
Arduino套件
机器人底盘
小车底盘
DIY配件
紧固件
坦克履带
积木马达
坦克配件
车轮
机械臂
机械抓
遥控模块
2.4G大功率遥控模块
4通道遥控
2.4G遥控
飞机遥控
3D打印产品
大功率遥控
拼装套件小制作
坦克遥控
工具
创客入门工具箱
钳子
电子模块
马达
电子元件
拼装套件
科学探索
3D打印产品
首页
畅销榜
创客必备工具箱推荐
畅销榜
促销
新品
DIY作品教程
DIY小车教程
创客百科
软件下载
创客大学
商城动态
资讯
创造迷PLUS会员9折 v0.3
技术文库
小钉锤
淘宝店
京东旗舰店
English
项目库
二手
朋友圈
问答
arduino
Arduino Nano参考资料及引脚说明图
2025年3月12日
arduino文库
我想做一个arduino小车需要什么配件
2025年2月15日
arduino文库
Arduino入门
2025年1月7日
arduino文库
Arduino UNO R4 WiFi中文数据手册
2025年1月7日
arduino文库
如何用arduino 电位器、面包板驱动步进电机试验和代码
2024年11月27日
arduino文库
mindplus + arduino ps2通信案例代码示例拖拽编程小钉锤扩展板
2024年10月9日
arduino文库
arduino nano写程序为什么要选old
2024年4月9日
arduino文库
Arduino – Pro mini 烧录方法 USB ttl
2023年8月22日
arduino文库
机械臂机械爪舵机安装卡主僵硬夹不住合不拢角度怎么调
2023年6月27日
arduino文库
16路PWM舵机驱动板(PCA9685)的使用说明(网络资料,仅供参考)
2023年4月6日
arduino文库
16路PWM舵机驱动板(PCA 9685) + Arduino 使用方法
2023年4月6日
arduino文库
使用ESP8266通过blinker控制WS2812灯带
2023年3月16日
arduino文库
单片机
关于Arduino及其周边配件的购买建议
2023年2月3日
单片机
Mixly2.0 RC3发布 百度网盘下载
2022年10月4日
单片机
ESP32 编译和烧录 图文教程
2022年9月5日
单片机
SN847 K歌声卡效果器使用方法
2022年6月24日
DIY作品案例
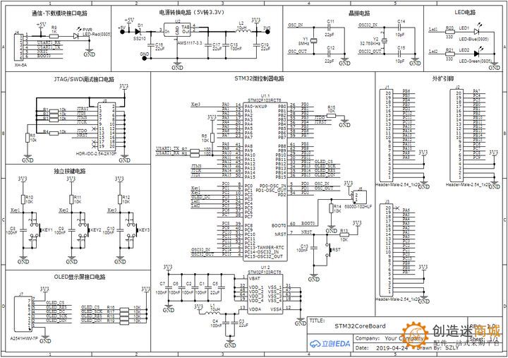
STM32核心板介绍
2021年6月14日
单片机
51单片机时钟秒表课程设计
2021年5月29日
单片机
51单片机电子时钟课程设计报告
2021年5月29日
单片机
如何学好AVR单片机介绍
2021年5月8日
单片机
传感器
“Arduloader把hex烧录进Arduino板子
2023年7月20日
传感器
DS3231时钟模块+UNO+1602液晶屏+arduino编程
2022年5月5日
arduino
DF无线数据收发模块
2021年5月6日
传感器
AVR的IO结构分析与操作
2021年5月6日
传感器
esp8266烧录程序教程
2021年5月4日
arduino文库
A126滑动变阻器模块
2021年4月21日
传感器
电容基本知识
2021年4月20日
传感器
二极管的分类及其主要参数
2021年4月20日
传感器
固态继电器SSR
2021年4月20日
传感器
常用电容器优缺点及其主要应用
2021年4月20日
传感器
火焰传感器
2021年4月20日
传感器
金属探测器/接近开关工作原理
2021年4月19日
传感器
微信群
微信客服
分享本页
返回顶部
双十一,全场九折,优惠码:20251111