产品特点
1.遥控器采用学习型EV1527编码方式,每个遥控器都有独立地址码,防止串码,互相干扰。
2.接收模块拥有3种功能选择:点动,自锁,互锁。
3.接收模块采用按键选择模式。无需通过焊接,跳线等手工方式进行模式的选择,节约时间人工成本。
4.接收模块包含解码芯片可支持EV1527、PT2262、PT2260、PT2240等编码芯片。
5.超宽的脉宽范围:105 到 515 的振荡电阻皆可
一、产品参数
接收模块参数:
- 工作电压:DC3.3V-5V
- 工作电流:3mA
- 灵敏度:-108DBM
- 速率:MAX 10 KB/S
- 支持编码芯片型号:EV1527、PT2262、PT2260、PT2240等编码芯片.
- 工作模式:点动、自锁、互锁、2路点动+2路自锁、 2路自锁+2路互锁、2路点动+2路互锁、2路互锁+2路互锁.
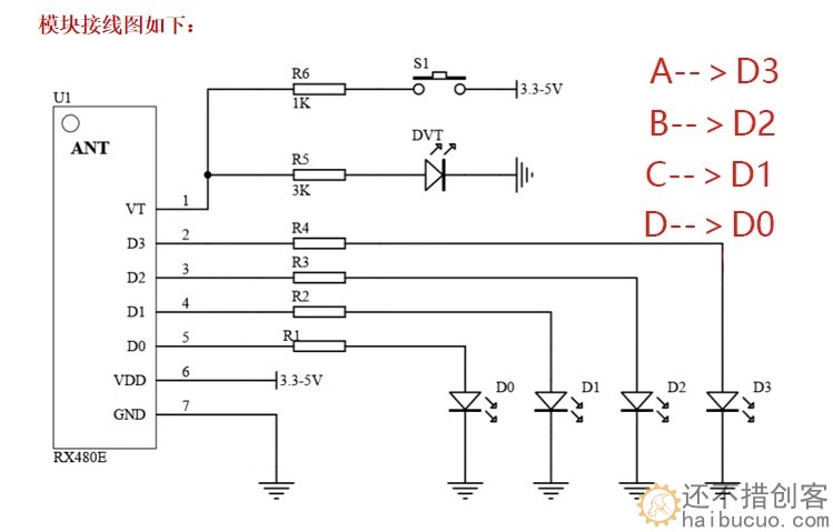
- 输出:4路CMOS电平信号,可对应遥控器“ABCD”4个按键
- 按下遥控器按键时,D0、D1、D2、D3输出的是高电平,没有按下时是低电平
- 可储存遥控器:15个

二、使用说明
清除对码:(切换模式前,要先清码)3.3-5v供电均可.
按8下接收模块上的学习对码按钮,LED熄灭。LED闪烁8次,清除OK。
(同一个遥控器如需更换工作模式,请先清码再学习)
遥控器与接收模块的配对方法:
根据所需要的选择工作模式的次数按(点击)解码模块的学习按键,解码模块的LED灯点亮。
点动模式:按1次解码模块学习按键,然后按遥控器的按键;
自锁模式:按2次解码模块学习按键,然后按遥控器的按键;
互锁模式:按3次解码模块学习按键,然后按遥控器的按键;
2路点动+2路自锁:按4次解码模块学习按键,然后按遥控器的按键;
2路自锁+2路互锁:按5次解码模块学习按键,然后按遥控器的按键;
2路点动+2路互锁:按6次解码模块学习按键,然后按遥控器的按键;
2路互锁+2路互锁:按7次解码模块学习按键,然后按遥控器的按键;
当解码模块接收到信号后,解码模块LED灯闪烁三次,后熄灭,对码成功。
如果进入学习对码模式后,没有遥控信号,10秒后,自动退出学习对码模式。
桃木遥控器参数:
1、工作电压:DC3V/12V两款可选择
2、工作电流:≤10 mA
3、工作频率:433MHz
4、发射功率: ≥10 mW
5、遥控距离:100M (空旷地实测)
6、调制方式:ASK
7、芯片类型:超外差RF芯片+编码芯片二合一,标准EV1527编码
8、按键图案:ABCD、上下箭头、开锁解锁等(上下箭头,开关锁需定制)
9、工作环境:-15/+75摄氏度
10、震荡电阻:270-330K
白色遥控器含12V/23A电池一粒
1000米四键主要技术指标:
1、工作电压: DC12V(23A电池)
2、工作电流: ≤30mA
3、工作频率:433MHz(其他频率可定做)
4、调制方式: ASK调幅
5、发射距离: 视距200-500米,此距离为空旷地无干扰的理论距离,使用中会根据不同环境干扰、隔墙及障碍物有所减短。一般为标称距离的10%-50%左右。
6、发射功率: ≤50mW
7、1527(学习码)芯片
8、振荡电阻: 4.7M或330K(如果需要其它数值振荡电阻请提前说明)
9、外形尺寸: 92×40×15mm
工作模式对码:
1.点动:按下遥控器,解码模块瞬间输出一次电平信号即为点动模式。
步骤一:按1次解码模块的学习按键,解码模块的LED灯点亮。
步骤二:按下遥控器的任意按键,解码模块接收到信号后,解码模块LED灯闪烁三次,后熄灭,设置成功。
2.自锁:按下遥控器,解码模块持续输出电平信号,再按下遥控器,解码模块停止 输出信号即为自锁模式。
步骤一:按2次解码模块的学习按键,解码模块的LED灯点亮。
步骤二:按下遥控器的任意按键,解码模块接收到信号后,解码模块LED灯闪烁三次,后熄灭,设置成功。
3.互锁:按下遥控器,解码模块持续输出电平信号,再按下遥控器不同,解码模块更换输出通道即为互锁模式。(例如:按下遥控器A键,解码模块D0脚输出信号,按下B按键,解码模块D0脚停止输出信号,变为D1脚输出信号。)
输出方式解释:
1、 自锁:
即:只有在接收有效,并正确译码才会输出。
主要事项:
1、根据自己所需的控制功能正确规范接线,接线完成后再次检验接线是否正确。请勿带电操作接线与尝试性接线,如出现不规范操作导致不良后果,本公司概不负责。
2、确认接线无误后,接通电源。
3、按对码的遥控器按键,遥控开关控制与之对应的控制物。控制物正常控制,则表示接线测试成功,即可正常使用。



微信客服